Introducere
|
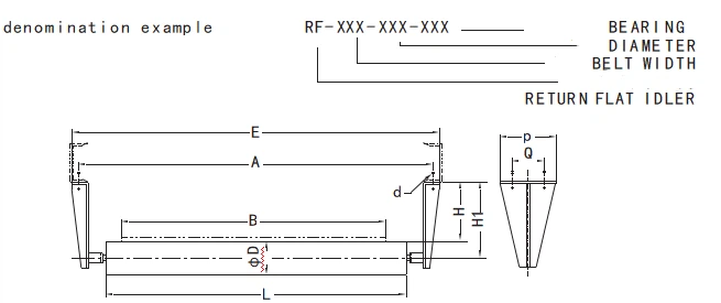
Flat Return Idler is a type of conveyor idler set that is used to support and guide the return belt of a conveyor system. It consists of a series of flat idler rollers mounted on a frame, which is designed to be installed underneath the conveyor belt to provide support and guidance for the returning belt. The flat return idlers set is typically used in applications where the conveyor belt is carrying lighter încărcă și nu este supus unei tensiuni ridicate . ajută la reducerea frecării dintre centură și structura de susținere, care poate prelungi durata de viață a benzii transportoare și reduce costurile de întreținere . |

Aplicație
Setul de idler -uri de retur plat este utilizat în mod obișnuit în sistemele transportoare pentru diverse industrii, cum ar fiminerit, carieră, ciment, oțel și multe altele. Idler -urile de transport plat sunt utilizate de obicei în aplicațiile în care banda transportoare poartă sarcini mai ușoare și nu este supusă unei tensiuni înalte . VEE Return Idlers este utilizat pentru a susține și ghida centura de întoarcere a unui sistem transportor, care ajută la reducerea fricțiunii dintre centura și structura de susținere {. Acest
Proiecta

|
Principiul de proiectare al returului plat este de a oferi sprijin și îndrumare pentru centura de întoarcere a unui sistem transportor, în timp ce minimizează frecarea și uzura . rolele de ralanti sunt concepute pentru a se roti liber, ceea ce reduce frecarea dintre centura și structura de susținere . Acest is also important, as it helps to distribute the load evenly across the belt and prevent sagging or stretching. The frame of the Flat Idlers for Belt Conveyor is designed to be sturdy and durable, providing a stable base for the idler rollers and ensuring that they remain in place during operation. Overall, the design of a Flat Return Idlers Set is focused on providing reliable and efficient support for the returning belt a unui sistem transportor, în timp ce minimizează impactul frecării și uzurii . |
Avantaj
Structura unui randament de întoarcere plană constă de obicei dintr -un cadru și o serie de role de ralanti plate . rolele de ralanti plate sunt montate pe cadru și sunt distanțate uniform pentru a oferi sprijin și îndrumare pentru centura de întoarcere .}

Cadru
Cadrul este proiectat pentru a fi instalat sub banda transportoare și este de obicei confecționat din oțel sau alte materiale durabile .
Rolă
Rolele sunt de obicei fabricate din materiale de înaltă calitate, cum ar fi oțel, cauciuc sau poliuretan, care pot rezista la uzura utilizării continue ., rolele sunt, de asemenea, proiectate să se rotească liber, ceea ce ajută la reducerea frecării dintre centură și structura de susținere .
Producție

Atelier de producție inteligent
Hebei, 1 mai 2023, Juxin este încântat să anunțe finalizarea și utilizarea triumfără a acestuia de ultimă generație 6, 000 Meter de producție inteligentă {.
Linie de producție inteligentă la ralanti
Hebei, 1 iunie 2023, Juxin anunță implementarea cu succes a liniei sale de producție inteligente de ultimă generație .

Certificat




Tag-uri populare: Returnare plană, China, producători de randament, furnizori, fabrică, fabrică, rulou rulant ghirlandă transportorDisc de cauciuc se întoarce la ralantiTransportor through IdlersRozele de impact pentru transportoare cu bandă
|
|
|||||||||||||
|
Fii LT Wi dth |
MODEL |
Ro ll er |
Fi ari ngn o . |
E |
A |
H |
H 1 |
P |
Q |
d |
Ma ss (kg) |
||
|
Modul l |
D |
L |
|||||||||||
|
500 |
- 050-89-204 |
Rr -89-204-600 |
89 |
600 |
2 04 |
792 |
7 40 |
55.5 |
100 |
145 |
90 |
M 12 |
9.3 |
|
650 |
-065-89-204 |
Rr -89-204-750 |
89 |
750 |
204 |
9 42 |
890 |
55.5 |
100 |
1 0.6 |
|||
|
-065-89-205 |
Rr -89-205-750 |
205 |
1 1.8 |
||||||||||
|
-065-108-204 |
R R-108-204-750 |
108 |
204 |
55.5 |
109.5 |
1 3.0 |
|||||||
|
-065-108-205 |
R R-108-205-750 |
205 |
1 4.1 |
||||||||||
|
-065-108-305 |
R R-108-305-750 |
305 |
1 4.6 |
||||||||||
|
800 |
-080-89-204 |
Rr -89-204-950 |
89 |
950 |
204 |
1142 |
1090 |
100 |
144.5 |
1 3.2 |
|||
|
-080-89-205 |
Rr -89-205-950 |
205 |
1 4.7 |
||||||||||
|
-080-108-204 |
R R-108-204-950 |
108 |
204 |
100 |
154 |
1 6.2 |
|||||||
|
-080-108-205 |
R R-108-205-950 |
205 |
1 7.7 |
||||||||||
|
-080-108-305 |
R R-108-305-950 |
305 |
1 8.1 |
||||||||||
|
-080-133-205 |
R R-133-205-950 |
133 |
205 |
100 |
166.5 |
2 0.2 |
|||||||
|
-080-133-305 |
R R-133-305-950 |
305 |
2 0.5 |
||||||||||
|
1000 |
-100-108-205 |
R R-108-205-1150 |
108 |
1150 |
2 05 |
1342 |
1290 |
110 |
164 |
150 |
9 0 |
M 16 |
21.1 |
|
-100-108-305 |
R R-108-305-1150 |
3 05 |
21.6 |
||||||||||
|
-100-108-206 |
R R-108-206-1150 |
2 06 |
23.5 |
||||||||||
|
-100-108-306 |
R R-108-306-1150 |
3 06 |
23.9 |
||||||||||
|
-100-133-205 |
R R-133-205-1150 |
133 |
2 05 |
110 |
176.5 |
24.1 |
|||||||
|
-100-133-305 |
R R-133-305-1150 |
3 05 |
24.4 |
||||||||||
|
-100-133-206 |
R R-133-206-1150 |
2 06 |
26.4 |
||||||||||
|
-100-133-306 |
R R-133-306-1150 |
3 06 |
26.7 |
||||||||||
|
-100-159-205 |
R R-159-205-1150 |
159 |
2 05 |
110 |
189.5 |
29.5 |
|||||||
|
-100-159-305 |
R R-159-305-1150 |
3 05 |
29.8 |
||||||||||
|
-100-159-206 |
R R-159-206-1150 |
2 06 |
31.8 |
||||||||||
|
-100-159-306 |
R R-159-306-1150 |
3 06 |
32.1 |
||||||||||
|
1200 |
-120-108-205 |
R R-108-205-1400 |
108 |
1400 |
2 05 |
1592 |
1540 |
120 |
174 |
150 |
9 0 |
M 16 |
24.6 |
|
-120-108-305 |
R R-108-305-1400 |
3 05 |
25.0 |
||||||||||
|
-120-108-206 |
R R-108-206-1400 |
2 06 |
27.4 |
||||||||||
|
-120-108-306 |
R R-108-306-1400 |
3 06 |
27.8 |
||||||||||
|
-120-133-205 |
R R-133-205-1400 |
133 |
2 05 |
120 |
186.5 |
28.7 |
|||||||
|
-120-133-305 |
R R-133-305-1400 |
3 05 |
29.0 |
||||||||||
|
-120-133-206 |
R R-133-206-1400 |
2 06 |
31.4 |
||||||||||
|
-120-133-306 |
R R-133-306-1400 |
3 06 |
31.8 |
||||||||||
|
-120-159-205 |
R R-159-205-1400 |
159 |
2 05 |
120 |
199.5 |
35.1 |
|||||||
|
-120-159-305 |
R R-159-305-1400 |
3 05 |
35.5 |
||||||||||
|
-120-159-206 |
R R-159-206-1400 |
2 06 |
37.8 |
||||||||||
|
-120-159-306 |
R R-159-306-1400 |
3 06 |
38.2 |
||||||||||
|
1400 |
-140-108-205 |
R R-108-205-1600 |
108 |
1600 |
2 05 |
1800 |
1 740 |
130 |
184 |
150 |
90 |
M 16 |
27.3 |
|
-140-108-305 |
R R-108-305-1600 |
3 05 |
27.8 |
||||||||||
|
-140-108-206 |
R R-108-206-1600 |
2 06 |
30.5 |
||||||||||
|
-140-108-306 |
R R-108-306-1600 |
3 06 |
30.9 |
||||||||||
|
-140-133-205 |
R R-133-205-1600 |
133 |
2 05 |
130 |
196.5 |
31.5 |
|||||||
|
-140-133-305 |
R R-133-305-1600 |
3 05 |
31.8 |
||||||||||
|
-140-133-206 |
R R-133-206-1600 |
2 06 |
34.5 |
||||||||||
|
-140-133-306 |
R R-133-306-1600 |
3 06 |
34.9 |
||||||||||
|
-140-159-205 |
R R-159-205-1600 |
159 |
2 05 |
130 |
209.5 |
38.8 |
|||||||
|
-140-159-305 |
R R-159-305-1600 |
3 05 |
39.1 |
||||||||||
|
-140-159-206 |
R R-159-206-1600 |
2 06 |
41.8 |
||||||||||
|
-140-159-306 |
R R-159-306-1600 |
3 06 |
42.2 |
||||||||||

